Electric Lawn Mower Battery Replacement Guide

Replacing an electric lawn mower battery is usually straightforward once you know what to look for. Most electric lawn equipment uses 12V sealed lead acid (SLA) / AGM batteries, often combined to create higher voltage systems.

This guide will help you identify the correct replacement battery for your equipment.

Step 1 – Check Your Battery Voltage

Most electric lawn equipment uses 12V batteries, but many systems combine multiple batteries to increase voltage.

Common setups include:

12V system – uses (1) 12V battery
24V system – uses (2) 12V batteries
36V system – uses (3) 12V batteries

Always match the total system voltage when replacing batteries.

Step 2 – Check Battery Capacity (Ah)

The Ah (amp hour) rating tells you how long the battery will run.

Common sizes include 2.9Ah, 7Ah, 9Ah, 12Ah, and 18Ah.

You can often use a slightly higher Ah battery for longer runtime, as long as it fits properly.

Step 3 – Check Battery Size

Physical size matters. Measure your existing battery or check the label to ensure the replacement will fit correctly in the battery compartment.

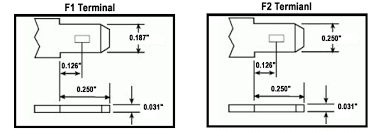
Step 4 – Check Terminal Type

Most electric lawn equipment batteries use either F1 or F2 terminals.

F1 terminals are narrower tabs, while F2 terminals are wider tabs. It’s important to match the terminal type so your existing connectors fit properly.

F1 vs F2 terminal

Step 5 – Count the Number of Batteries

Many electric lawn mowers use more than one battery connected together.

For example, a 24V system uses two 12V batteries, while a 36V system uses three.

All batteries in the system should be replaced at the same time for best performance.

Common Replacement Battery Sizes

We carry a range of sealed batteries commonly used in electric lawn equipment, including:

Need Help Choosing the Right Battery?

If you’re unsure which battery you need, bring your old battery into our store or contact us with your equipment model. Contact us for assistance

Shop Electric Lawn Equipment Batteries

Browse our full selection of replacement batteries here:

👉 Electric Lawn Equipment Batteries